FERRO Distribuitor-colector tip SN-ROU 1 cu 11 cai pentru calorifere si fara euroconi

FERRO
1.037,93 Lei
In stoc

Durata de livrare: 1

Limita stoc
Adauga in cos
Cod Produs: SN-ROU11S Ai nevoie de ajutor? 0757085217 / 0754078426
Adauga la Favorite Cere informatii Comanda rapida
  • Descriere
  • Review-uri (0)
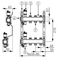
  • bara repartitoare cu 2 - 12 circuite - racord 1”, 2 buc. (1)
  • set console din otel (2)
  • robineti montati pe teava de tur si teava de retur (3)
  • aerisitor automat D.1/2”, 2 buc. (4)
  • robinet sferic de golire D.1/2”, 2 buc. (5)
  • dop D1” (6)
  • niplu D1/2”x3/4” (7)
Informatii conformitate produs
Daca doresti sa iti exprimi parerea despre acest produs poti adauga un review.

Review-ul a fost trimis cu succes.

Compara produse

Trebuie sa mai adaugi cel putin un produs pentru a compara produse.

A fost adaugat la favorite!

A fost sters din favorite!